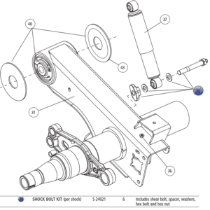
The Hendrickson S-24049/2 is a Shock Bolt Kit designed for specific heavy-duty trailer suspensions, including the VANTRAAX HKANT 46K, HKAT 46K, HKA200, and AAT23K models manufactured after August 11, 1995. This kit is essential for securing shock absorbers in these suspension systems. When installing the S-24049/2 Shock Bolt Kit, it’s crucial to follow the manufacturer’s torque specifications and installation guidelines to ensure optimal performance and safety. Proper installation helps maintain the integrity of the suspension system and extends the service life of the components.
Hendrickson Shock Bolt Kit for VANTRAAX Series
$35.10
Shock Bolt Kit VANTRAAX (MHT673)







